JP
EN
iPSCリプログラミングと細胞株樹立
ソース:Shownin 閲覧回数:1822次

 

 

Showninはお客様の研究ニーズに応じて、体細胞リプログラミングなどのカスタマイズサービス(例:遺伝性疾患患者由来hiPSCのカスタマイズ)を提供しています。

 

私たちは非統合型リプログラミング技術を使用して様々なヒト成体細胞から研究グレードhiPSC細胞株を作製しています。研究グレードhiPSC細胞株は、ヒト胚性幹細胞(hESC)に非常に類似したクローン形態と遺伝子発現を持ち、長期間にわたり正常な核型を維持します(一部特殊疾患由来の細胞を除く)。また、体外(in vitro)および体内(in vivo)の両方で完全な三胚葉への分化能を備えています。

 

Showninのヒト細胞研究開発センターは、現行医薬品適正製造規範(cGMP)に準拠して建設されました。センターには1000㎡の臨床グレード細胞実験室(B+A級)、1000㎡の研究グレード細胞実験室(C+A級)、220㎡のバリア型実験動物施設(C級)、350㎡の分子実験室などの研究製造プラットフォームがあります。研究開発センターには先進的な細胞研究、製造、品質検査設備が備わっており、標準化された品質管理システムが構築されています。Showninはこれまで多くの研究グレードおよび臨床グレードhiPSC細胞株(健康型および疾患型)の作製に成功しており、in vitro疾患モデル構築、薬物スクリーニングおよび試験、動物移植実験などの研究分野で応用されています。

 

私たちは厳格な品質基準に基づき、作製、同定、保存、包装、物流などのサービス工程を完成させ、お客様の研究ニーズに応えるとともに、後続実験の再現性と信頼性を確保します。

 

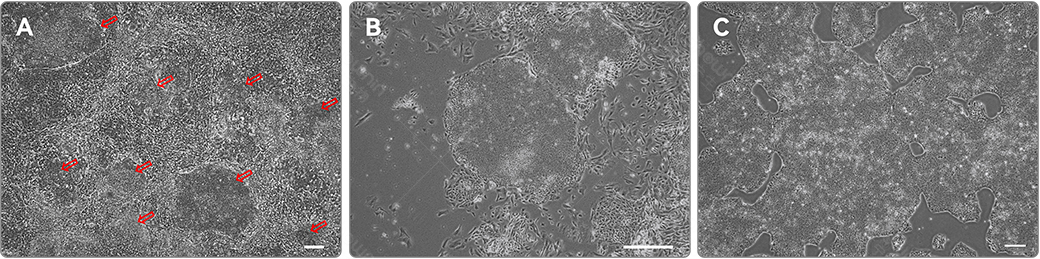
リプログラミングによるhiPSCクローン形成

 

 

A、B、C:末梢血リプログラミングによるhiPSCクローン形成段階および増幅後のhiPSCクローン形態図示。スケール:200μm。

 

プロジェクト内容および納品基準

 

プロジェクト

説明

体細胞由来

末梢血を推奨し、その他の組織細胞(例:皮膚線維芽細胞)も受け付けている。

作製プロセス

非統合型リプログラミング法を用いてhiPSC細胞株を作製する

hiPSC

外来遺伝子挿入なし

培養条件

リプログラミングおよびhiPSCの培養は、化学成分が明確な培養システムで行われ、細胞の品質は安定しており、分化能力は完全。

納品基準

単一供与体から3つのhiPSCクローンを作製し、クローン毎に凍結保存された細胞を2管提供(1管あたり2×10⁶細胞以上)。

納品期間

3~6か月

 

納品基準

 

項目

説明

供与体サンプルの感染病原検査

AIDS、Syphylis、Hepatitis B、Hepatitis C感染検査

細胞学的検査

細胞形態、細胞成長状況、細胞数、細胞生存率

細胞表面マーカー

SSEA4+ / TRA-1-81+、フローサイトメトリー検査

内因性多能性遺伝子発現

OCT4 / NANOG、qRT-PCR検査

外来遺伝子非統合

ベクター配列PCR検査

ゲノム安定性

染色体核型解析

微生物およびエンドトキシン検査

細菌、真菌、マイコプラズマおよびエンドトキシン検査

細胞の同一性確認

供与体の相同組織から由来することを確認

細胞分化能力の同定

奇形腫試験(オプション)、三胚葉から分化した組織は検出可能

首宁生物官网隐私权政策

更新日期:2026年01月12日
生效日期:2026年1月15日

欢迎您使用安徽首宁生物科技有限公司及关联公司(“我们”或“公司”)通过首宁生物官网提供的公司介绍、产品介绍、人员招聘及商务联系等相关服务(以下合称“本产品”)!

您的信任对我们非常重要,我们深知个人信息对您的重要性,我们将按法律法规要求,尽力保护您的个人信息安全可控。鉴于此,我们制定了本隐私权政策(“本政策”),旨在说明在您使用本产品时,我们将如何处理您的个人信息,以及您对这些个人信息享有的权利。在您使用本产品前,请您务必完整地详细阅读本政策,特别是以粗体标识的条款,请您重点阅读,并在确定充分理解本政策条款后再开始使用。阅读过程中,如对本政策内容有任何疑问、意见或建议,您可按照本政策中提供的联系方式与我们联系。如您不理解或不同意本政策中的任何条款,您应立即停止使用本产品服务。您本产品的使用,即表示您已充分理解并同意本政策。

本产品可能包含跳转至其他第三方产品或服务(“第三方”,包括但不限于任何第三方网站、第三方服务提供者)的链接或指引。需要特别说明的是,本政策不适用于第三方通过或借助本产品向您提供的其他服务。我们不控制第三方,第三方对您个人信息的收集与使用将适用第三方向您另行说明的个人信息保护政策。我们建议您在访问第三方时仔细阅读并了解他们的个人信息政策。

 

本政策将帮助您了解以下内容:

一.我们如何收集和使用您的个人信息

二.我们如何提供、公开披露和委托处理您的个人信息

三.我们如何存储和保护您的个人信息

四.敏感个人信息提示

五.您的权利

六.我们如何处理儿童的个人信息

七.本政策如何更新

八.如何联系我们

 

一、我们如何收集和使用您的个人信息

(一)收集和使用您的个人信息

通常情况下,我们会在以下场景中收集和使用您的个人信息:

1. 人员招聘

 当您点击加入我们,您可以选择您感兴趣的岗位与我们的人事经理联系,我们可能会收集您的姓名、联系方式、简历等信息,具体以人事经理要求您提供的信息为准,用于筛选岗位候选人、执行后续招聘流程。若您拒绝我们进行前述信息处理,请勿向人事经理提供您的任何信息。

2. 联系我们

当您点击联系我们,您可以进行在线留言、发送邮件、拨打服务热线。我们可能会收集您的姓名、电话、邮箱地址,以及留言内容。我们会基于您的留言内容和联系信息对您进行答复。若您拒绝我们进行前述信息处理,请勿输入您的任何信息。

3. 安全保障

为保障您正常使用我们的服务,维护我们服务的正常运行,并改进及优化我们的服务体验,我们会收集您的:操作日志(包括搜索、查看操作等)、服务日志(包括服务故障信息),这类信息是为提供服务必须收集的基础信息。如您拒绝前述处理,会使您无法使用本产品。

4. 改进我们的产品或服务

我们可能会对您使用本产品相关功能或服务时产生的统计信息,进行【去标识化地】研究、统计分析,用于改善本产品交互界面的内容和布局、为商业决策提供支撑。拒绝我们基于产品或服务改进目的进行前述信息处理,不会影响您正常使用本产品的功能或服务。

5. 纠纷或案件处理

为保护您的权益,您同意本政策相关操作的日志及上文列举的其他相关个人信息,会被记录并用于在处理用户投诉、纠纷、案件等情况下核实事实。

6. 请您知悉,以下情形中,我们收集、使用个人信息无需征得您的授权同意:

  1. 与我们履行法律、法规规定的义务相关的;
  2. 与国家安全、国防安全有关的;
  3. 与公共安全、公共卫生、重大公共利益有关的;
  4. 与犯罪侦查、起诉、审判和判决执行等有关的;
  5. 出于维护您或其他个人的生命、财产等重大合法权益但又很难得到您同意的;
  6. 所收集的个人信息是您自行向社会公众公开的;
  7. 从合法公开披露的信息中收集的您的个人信息的,如合法的新闻报道、政府信息公开等渠道;
  8. 根据与您签订和履行相关协议或其他书面文件所必需的;
  9. 用于维护所提供的产品与/或服务的安全稳定运行所必需的,例如发现、处置产品与/或服务的故障;
  10. 法律法规规定的其他情形。

(二) 设备权限调用

我们未调用您的设备权限。

 

二、我们如何提供、公开披露和委托处理您的个人信息

我们不会向第三方提供您的个人信息

(一) 提供个人信息时事先征得授权同意的例外

1. 请您知悉,以下情形中,共享、转让、公开披露您的个人信息无需事先征得您的授权同意:

  1. 与我们履行法律法规规定的义务相关的;
  2. 与国家安全、国防安全直接相关的;
  3. 与公共安全、公共卫生、重大公共利益直接相关的;
  4. 与犯罪侦查、起诉、审判和判决执行等司法或行政执法直接相关的;
  5. 出于维护您或其他个人的生命、财产等重大合法权益但又很难得到本人同意的;
  6. 您自行向社会公众公开的个人信息;
  7. 从合法公开披露的信息中收集个人信息的,如合法的新闻报道、政府信息公开等渠道;
  8. 根据与您签订和履行相关协议或其他书面文件所必需的;
  9. 用于维护所提供的产品与/或服务的安全稳定运行所必需的,例如发现、处置产品与/或服务的故障;
  10. 法律法规规定的其他情形。

2. 请知悉,根据适用的法律,若我们对个人信息采取技术措施和其他必要措施进行处理,使得数据接收方无法重新识别特定个人且不能复原,则此类处理后数据的共享、转让、公开披露无需另行向您通知并征得您的同意。

3. 随着我们业务的持续发展,我们有可能进行合并、收购、资产转让等交易,如涉及转移个人信息,我们将按照法律法规及不低于本政策所要求的标准,要求持有您个人信息的新主体继续保护您的个人信息,否则我们将要求其重新向您征求授权同意。

(二) 公开披露

本产品不会公开披露您的个人信息。我们仅会在获得您明确同意的情况下,或基于您的主动选择,公开披露您的个人信息。

(三) 委托处理

1. 为了更好地为您提供服务,我们可能委托第三方合作伙伴处理您的个人信息,第三方合作伙伴包括云存储服务提供商、提供集中管理系统平台的我们的关联方等。我们仅会出于本政策声明的合法、正当、必要、特定、明确的目的委托第三方合作伙伴处理您的信息。

2. 对我们委托处理个人信息的第三方合作伙伴,我们会请其按照我们的要求来处理个人信息。如果第三方合作伙伴将您的信息用于我们未委托的用途,其有义务另行征得您的同意。

 

三、我们如何存储和保护您的个人信息

(一) 存储您的个人信息

1. 存储地域范围

我们在中华人民共和国境内收集和产生的个人信息将存储在中华人民共和国境内,但以下情形除外:(1)法律法规有明确规定的;(2)依法征得您的同意。

2. 存储期限

除法律法规规定、获得您的同意或双方另有约定外,我们通常仅在实现本政策所述目的所必需的期限内保留您的个人信息。我们存储您的个人信息时长为如下标准中的较长者:(1)您不再接受相关服务;(2)完成与您相关的交易/服务目的,维护相应的业务记录,以应对您可能的查询、投诉或诉讼;(3)保证我们为您提供服务的安全和质量;(4)您同意的更长存储期限;(5)法律法规关于存储期限的其他特别规定。超出前述确定的存储期限后,我们会根据适用的法律的要求删除或匿名化处理您的个人信息。

(二) 保护您个人信息的措施

1. 我们非常重视个人信息安全,并采取符合行业标准的安全技术措施保护您提供的个人信息的安全。

2. 我们通过建立专门的管理制度、流程、组织等管理措施以保障信息的安全。例如,我们使用客户信息集中管理系统,我们只允许有必要接触客户信息的工作人员访问该系统查询和管理客户信息。我们严格设定访问客户信息的权限分级,同时要求可能接触到您个人信息的所有人员履行相应的保密义务。我们还不时对工作人员培训相关法律法规及隐私安全准则,强化宣导安全意识。

3.若发生个人信息泄露等安全事件,我们会启动应急预案,阻止安全事件扩大。我们会及时将事件的基本情况、处置措施、降低风险建议等以电话、推送通知等方式告知您,难以逐一告知个人信息主体时,我们会采取合理、有效的方式发布公告。同时,我们还将按照监管部门要求,主动上报个人信息安全事件的处置情况。

4.互联网环境并非绝对安全,为保障您的个人信息安全,需要您和我们的共同配合,我们强烈建议您通过安全方式、使用复杂密码,请您不要向他人泄露登录账号和密码,如您发现自己的个人信息尤其是您的账号或密码发生泄露时,请您立即根据本政策所载“如何联系我们”中提供的联系方式联络我们,以便我们根据您的申请采取相应合理措施。

 

四、敏感个人信息提示

敏感个人信息是指一旦泄露或者非法使用,容易导致自然人的人格尊严受到侵害或者人身、财产安全受到危害的个人信息,包括生物识别、宗教信仰、特定身份、医疗健康、金融账户、行踪轨迹等信息,以及不满十四周岁未成年人的个人信息。本政策涉及的敏感个人信息包括:简历、留言内容、操作日志与服务日志信息等

您在本政策的提供页面或弹窗中,勾选、点击同意或允许或其他具有相同意思表示的按键,即表示您充分理解并同意本章的全部内容。同时,我们将在本政策中对敏感个人信息相关内容以粗体并加下划线进行显著标识。

 

五、您的权利

1. 查阅、复制您的个人信息

您可以通过本政策所载“如何联系我们”中提供的联系方式,请求查阅、复制您提交给我们的个人信息。

2. 更正、补充您的个人信息

您发现我们持有的您的其他个人信息不准确或者不完整的,可以通过本政策所载“如何联系我们”中提供的联系方式,向我们提出更正、补充的请求。

3. 转移您的个人信息

您可以通过本政策所载“如何联系我们”中提供的联系方式,请求将您提交给我们的个人信息转移至您指定的其他个人信息处理者。

4. 限制处理您的个人信息

您有权通过本政策所载“如何联系我们”中提供的联系方式,请求限制我们处理您的个人信息。

5. 删除您的个人信息

在以下情形中,您可以通过本政策所载“如何联系我们”中提供的联系方式,向我们提出删除个人信息的请求:

  1. 如果我们处理个人信息的行为违反法律法规;
  2. 如果我们收集、使用您的个人信息,却未征得您的同意;
  3. 如果我们处理个人信息的行为违反了与您的约定;
  4. 如果您不再使用我们的产品或服务,或您注销了账号;
  5. 如果我们不再为您提供产品或服务。

经我们审查确认,您的删除请求符合法律规定的个人信息删除情形的,除法律法规另有规定要求保留的信息外,您的个人信息将被及时删除。但因相关法律规定或安全技术限制,您在本产品下的个人信息从业务系统中被删除后,我们可能无法立即从备份系统中删除相应的信息,我们将安全地存储您的个人信息并限制对其的任何进一步的处理,直到备份可以清除或实现匿名化。

6. 撤回您的同意

您可以通过本政策所载“如何联系我们”中提供的联系方式,联系我们撤回已给出的个人信息处理相关同意。请您理解,当您执行上述操作后,我们将无法继续为您提供撤回同意或授权所对应的服务,但不会影响此前基于您的授权而开展的个人信息处理。

7. 注销您的账号

您有权通过本政策“如何联系我们”部分提供的联系方式注销您的账号。请注意,在您注销账号后,我们将根据法律规定删除或匿名化处理您的个人信息,请谨慎进行账号注销操作。

8.响应您的上述请求

为了保障安全,我们可能需要您提供相应方式证明您的身份和请求的正当性,我们将在收到您反馈并验证您的身份后尽快答复您的请求。

对于您合理的请求,我们原则上不收取费用,但对多次重复、超出合理限度的请求,我们将视情况收取一定成本费用。对于那些无端重复、需要过多技术手段(例如,需要开发新系统或从根本上改变现行惯例)、给他人合法权益带来风险或者非常不切实际的请求,我们可能会予以拒绝。

在以下情形中,按照法律法规要求,我们将无法响应您的请求:

  1. 与国家安全、国防安全直接相关的;
  2. 与公共安全、公共卫生、重大公共利益直接相关的;
  3. 与犯罪侦查、起诉、审判和判决执行等直接相关的;
  4. 有充分证据表明您存在主观恶意或者滥用权利的;
  5. 响应您的请求将导致您和其他个人、组织的合法权益受到严重损害的;
  6. 涉及商业秘密的。

 

 

六、我们如何处理儿童的个人信息

本政策中,儿童指未满十四周岁的未成年人。在您注册前,我们会请您如实确认是否已满十四周岁,本产品仅面向十四周岁以上的用户,原则上我们不收集儿童的个人信息。

对于偶然出现的、经父母同意而收集儿童个人信息的情况,我们只会在受到法律允许、父母或监护人明确同意或者保护儿童所必要的情况下处理此信息。我们建立了严格的儿童个人信息收集使用规则,您可以通过阅读《儿童个人信息保护规则》了解更具体的内容。

如果我们发现在未事先获得可证实的父母或监护人同意的情况下收集了儿童的个人信息,则会设法尽快删除相关数据。

 

七、本政策如何更新

1. 为给您带来更好的产品和服务体验,我们在持续努力改进我们的技术,随之我们可能会不时推出新的或优化后的功能,可能需要收集、使用新的个人信息或变更个人信息使用目的或方式。我们将通过更新本政策另行向您说明对应信息的收集目的、范围及使用方式,并通过弹窗、页面提示的方式为您提供自主选择同意的方式,且在征得您明示同意后收集、使用。在此过程中,如果您有任何疑问、意见或建议的,您可以通过本政策中公布的联系方式与我们联系,我们会尽快为您作出解答。除上述情形外,由于联系方式、法律和监管政策要求等变化,我们也会适时对本政策进行更新,并在本网站页面底部“【隐私政策】”中发布,若您继续使用我们的服务,即表示同意接受修订后的本政策并受之约束

2. 为了您能及时接收到通知,建议您在联系方式更新时及时通知我们。

3. 您可以通过本网站页面底部“【隐私政策】”中查看本政策的最新版本。

 

八、如何联系我们

本政策提及的可能需要与我们取得联系的情况下,或您对本政策内容有任何疑问、意见或建议的,您可以通过以下方式联系我们:

联系电话:400 888 3920

电子邮件:service@shownin.com

 

本政策中,关联公司指安徽中盛溯源生物科技股份有限公司、中盛溯源(广州)生物科技有限公司。